分享
描述

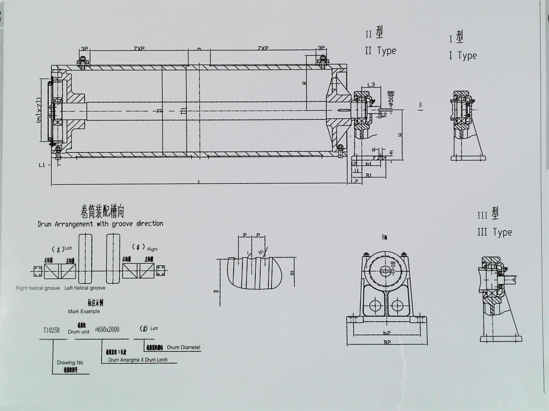
Ø300卷筒组选用表/Data List for Drum Unit Ø300
序号 No. |
部件图号 Part No |
DxL | 型号 Type |
ds | p | m | D, | L, | L₂ | L₃ | B, | B₂ | b, | b₂ | I, | I₂ | H | h | R | M'xz, | 重量 Weight (kg) |
用途 Usage |
备注 Remarks |
| 1 | T554 | φ300×1500 | I | 11 | 13 | 100 | 308 | 17.5 | 100 | 180 | 360 | 120 | 300 | 50 | 30 | 210 | 30 | 187.5 | 3×56 | 342 | |||
| 2 | T525 | φ300×1200 | Ⅱ | 16 | 18 | 330 | 310 | 17.5 | 100 | 78 | 180 | 360 | 120 | 300 | 50 | 30 | 210 | 30 | 204 | 3×56 | 331 | 5t (抓斗) |
For Grad |
| 3 | T489 | φ300×1000 | I | 11 | 13 | 38 | 308 | 17.5 | 100 | 180 | 360 | 120 | 300 | 50 | 30 | 210 | 30 | 204 | 3×56 | 239 | |||
| 4 | T490 | φ300×1000 | I | 12 | 14 | 38 | 308 | 17.5 | 100 | 180 | 360 | 120 | 300 | 50 | 30 | 210 | 30 | 187.5 | 3×56 | 239 | |||
| 5 | T1020B | φ300×1500 | Ⅱ | 11 | 13 | 150 | 308 | 17.5 | 100 | 78 | 180 | 360 | 120 | 300 | 50 | 30 | 210 | 30 | 187.5 | 3×56 | 342 | ||
| 6 | T497 | φ300×1500 | I | 11 | 13 | 150 | 308 | 17.5 | 100 | 180 | 360 | 120 | 300 | 50 | 30 | 210 | 30 | 187.5 | 3×56 | 333 | |||
| 7 | T383G | φ300×1000 | Ⅱ | 11 | 13 | 38 | 308 | 17.5 | 100 | 78 | 180 | 360 | 120 | 300 | 50 | 30 | 210 | 30 | 187.5 | 3×56 | 252 | ||
| 8 | T423G | ø300×1000 | II | 12 | 14 | 38 | 308 | 17.5 | 100 | 78 | 180 | 360 | 120 | 300 | 50 | 30 | 210 | 30 | 187.5 | 3×56 | 252 | ||
| 9 | T545G | φ300×1200 | I | 8 | 11 | 38 | 308 | 17.5 | 100 | 180 | 360 | 120 | 300 | 50 | 30 | 210 | 30 | 187.5 | 3×56 | 280 |
Ø400卷筒组选用表/Data List for Drum Unit k400
| 序号 NO. |
部件图号 Part NO |
DxL | 型号 Type |
ds | p | m | D, | L, | L₂ | L₃ | B, | B₂ | b, | b₂ | l, | I₂ | H | h | R | m¹×z, | 重量 Weight (kg) |
用途 Usage |
备注 Remarks |
| 1 | T566 | ø400×1800 | I | 14.5 | 16 | 150 50 |
409 | 10 | 100 | 180 | 360 | 120 | 300 | 50 | 30 | 210 | 30 | 240 | 4×56 | 520 | |||
| 2 | T514 | φ400×1500 | Ⅱ | 16 | 22 | 250 | 418 | 10 | 140 | 78 | 180 | 360 | 120 | 300 | 50 | 30 | 210 | 30 | 259 | 4×56 | 493 | ||
| 3 | T552 | φ400×1500 | I | 11 | 12.7 | 150 | 409 | 10 | 100 | 180 | 360 | 120 | 300 | 50 | 30 | 210 | 30 | 240 | 4×56 | 440 | |||
| 4 | T549 | φ400×1500 | lI | 11 | 12.7 | 50 | 408 | 10 | 100 | 78 | 180 | 360 | 120 | 300 | 50 | 30 | 210 | 30 | 239 | 4×56 | 454 | ||
| 5 | T587 | Ø400×2000 | 1 | 14.5 | 16 | 250 | 409 | 10 | 100 | 180 | 360 | 120 | 300 | 50 | 30 | 210 | 30 | 250 | 4×56 | 575 | |||
| 6 | T593 | φ400×2000 | IⅡ | 14.5 | 16 | 250 | 409 | 10 | 100 | 78 | 180 | 360 | 120 | 300 | 50 | 30 | 210 | 30 | 235 | 4×56 | 572 | ||
| 7 | T491 | φ400×1000 | 1 | 14.5 | 16 | 48 | 409 | 10 | 100 | 180 | 360 | 120 | 300 | 50 | 30 | 210 | 30 | 248 | 4×56 | 321 | |||
| 8 | T1023B | φ400×1500 | Ⅱ | 14.5 | 16 | 150 50 |
409 | 10 | 100 | 78 | 180 | 360 | 120 | 300 | 50 | 30 | 210 | 30 | 235 | 4×56 | 454 | ||
| 9 | T492 | φ400×1500 | I | 14.5 | 16 | 150 50 |
409 | 10 | 100 | 180 | 360 | 120 | 300 | 50 | 30 | 210 | 30 | 235 | 4×56 | 440 | |||
| 10 | T1022B | φ400×1000 | lⅡ | 14.5 | 16 | 48 | 409 | 10 | 100 | 78 | 180 | 360 | 120 | 300 | 50 | 30 | 210 | 30 | 248 | 4×56 | 334 | ||
| 11 | T415G | ø400×800 | IⅡ |
14.5 | 16 | 48 | 409 | 10 | 100 | 78 | 180 | 360 | 120 | 300 | 50 | 30 | 210 | 30 | 235 | 4×56 | 288 | ||
| 12 | T416G | φ400×1200 | IⅡ | 14.5 | 16 | 250/150/50 | 409 | 10 | 100 | 78 | 180 | 360 | 120 | 300 | 50 | 30 | 210 | 30 | 235 | 4×56 | 382 | ||
| 13 | T422G | φ400×1500 | lⅡ | 14.5 | 16 | 250 | 409 | 10 | 100 | 78 | 180 | 360 | 120 | 300 | 50 | 30 | 210 | 30 | 235 | 4×56 | 454 | ||
| 14 | T507 | φ400×2000 | 1 | 14.5 | 16 | 150 50 |
409 | 10 | 100 | 180 | 360 | 120 | 300 | 50 | 30 | 210 | 30 | 250 | 4×56 | 574 | |||
| 15 | T598 | φ400×2500 | I | 14.5 | 16 | 50 | 409 | 10 | 100 | 180 | 360 | 120 | 300 | 50 | 30 | 210 | 30 | 235 | 4×56 | 691 | |||
| 16 | T565 | φ400×2200 | I | 14.5 | 16 | 150 | 409 | 10 | 100 | 180 | 360 | 120 | 300 | 50 | 30 | 210 | 30 | 248 | 4×56 | 619 | |||
| 17 | T607 | φ400×2500 | I | 14.5 | 16 | 150 | 409 | 10 | 100 | 180 | 360 | 120 | 300 | 50 | 30 | 210 | 30 | 248 | 4×56 | 694 | |||
| 18 | T608 | φ400×2500 | I | 11 | 12.7 | 150 | 408 | 10 | 100 | 180 | 360 | 120 | 300 | 50 | 30 | 210 | 30 | 235 | 4×56 | 692 | |||
| 19 | T603 | p400×2500 | ll | 13.5 | 16 | 150 | 409 | 10 | 100 | 78 | 180 | 360 | 120 | 300 | 50 | 30 | 210 | 30 | 235 | 4×56 | 717 | ||
| 20 | T1023Z | φ400×1500 | Ⅱ | 16 | 22 | 400 | 418 | 10 | 100 | 78 | 180 | 360 | 120 | 300 | 50 | 30 | 210 | 30 | 235 | 4×56 | 460 | 抓斗车用 |
φ500卷筒组选用表/Data List for Drum Unit ø500
| 序号 NO |
部件图号 Part NO |
DxL | 型号 Type |
ds | p | m | D1 | L1 | L₂ | L₃ | B1 | B₂ | b1 | b₂ | I1 | I₂ | H | h | R | m¹×z1 | 重量 Weight (kg) |
用途 Usage |
备注 Remarks |
| 1 | T535 | Ø500×3800 | I | 17.5 | 20 | 400 | 512 | 45 | 100 | 200 | 410 | 140 | 350 | 60 | 30 | 260 | 30 | 316 | 6×56 | 2000 | |||
| 2 | T536 | Ø500×2000 | Ⅱ | 17.5 | 20 | 120 | 512 | 45 | 100 | 96 | 200 | 410 | 140 | 350 | 60 | 30 | 260 | 30 | 316 | 6×56 | 785 | ||
| 3 | T540 | ø500×2200 | II | 17.5 | 20 | 50 | 512 | 45 | 100 | 96 | 200 | 410 | 140 | 350 | 60 | 30 | 260 | 30 | 316 | 6×56 | 1027 | ||
| 4 | T541 | Ø500×2200 | II | 22 | 28 | 300 | 524 | 60 | 133 | 96 | 200 | 410 | 140 | 350 | 60 | 30 | 260 | 30 | 316 | 6×56 | 1167 | For grab 抓斗 |
|
| 5 | T568 | Ø500×2000 | II | 22 | 28 | 500 | 524 | 60 | 133 | 96 | 200 | 410 | 140 | 350 | 60 | 30 | 260 | 30 | 223 | 6×56 | 1077 | For grab 抓斗 |
|
| 6 | T613 | Ø500×2200 | I | 17.5 | 20 | 120 | 512 | 45 | 100 | 200 | 410 | 140 | 350 | 60 | 30 | 260 | 30 | 233 | 6×56 | 1017 | |||
| 7 | T429G | Ø500×1200 | II | 22 | 28 | 70 | 524 | 60 | 85 | 96 | 200 | 410 | 140 | 350 | 60 | 30 | 260 | 30 | 316 | 6×56 | 716 | For grab 抓斗 |
|
| 8 | T547 | Ø500×1800 | I | 24 | 28 | 120 | 524 | 60 | 133 | 96 | 200 | 410 | 140 | 350 | 60 | 30 | 260 | 30 | 322 | 6×56 | 986 | ||
| 9 | T548 | Ø500×1800 | I | 24 | 28 | 300 | 524 | 60 | 133 | 96 | 200 | 410 | 140 | 350 | 60 | 30 | 260 | 30 | 322 | 6×56 | 986 | ||
| 10 | T620 | Ø500×3400 | II | 16 | 18 | 120 | 512 | 45 | 100 | 96 | 200 | 410 | 140 | 350 | 60 | 30 | 260 | 30 | 303 | 6×56 | 1594 | ||
| 11 | T639 | Ø500×2800 | I | 17.5 | 20 | 420 | 512 | 45 | 100 | 200 | 410 | 140 | 350 | 60 | 30 | 260 | 30 | 316 | 6×56 | 1260 | |||
| 12 | T1024Z | Ø500×1500 | II | 20 | 26 | 300 | 524 | 60 | 85 | 96 | 200 | 410 | 140 | 350 | 60 | 30 | 260 | 30 | 325 | 6×56 | 852 | For grab 抓斗 |
|
| 13 | T571 | Ø500×1685 | II | 17.5 | 20 | 105 | 512 | 45 | 100 | 96 | 200 | 410 | 140 | 350 | 60 | 30 | 260 | 30 | 316 | 6×56 | 837 | ||
| 14 | T570 | Ø500×2840 | Ⅱ | 17.5 | 20 | 180 | 512 | 45 | 100 | 96 | 200 | 410 | 140 | 350 | 60 | 30 | 260 | 30 | 316 | 6×56 | 1249 | ||
| 15 | T493 | Ø500×1500 | I | 17.5 | 20 | 120 | 512 | 60 | 85 | 200 | 410 | 140 | 350 | 60 | 30 | 260 | 30 | 316 | 6×56 | 739 | |||
| 16 | T1024B | Ø500×1500 | II | 17.5 | 20 | 120 | 512 | 60 | 85 | 96 | 200 | 410 | 140 | 350 | 60 | 30 | 260 | 30 | 316 | 6×56 | 753 | ||
| 17 | T417G | Ø500×1200 | Ⅱ | 17.5 | 20 | 80 | 512 | 45 | 100 | 96 | 200 | 410 | 140 | 350 | 60 | 30 | 260 | 30 | 316 | 6×56 | 618 | ||
Ø500 卷筒组选用表/Data List for Drum Unit Ø500
| 序号 NO. |
部件图号 Part NO. |
DxL | 型号 Type |
ds | p |
m | D1 | L1 | L₂ | L₃ | B1 | B₂ | b1 | b₂ | I1 | I₂ | H | h | R | m¹×z1 | 重量 Weight (kg) |
用途 Usage |
备注 Remarks |
| 1 | T424G | Ø500×1200 | Ⅱ | 16 | 22 | 250 | 518 | 60 | 85 | 96 | 200 | 410 | 140 | 350 | 60 | 30 | 260 | 30 | 309 | 6×56 | 716 | 5t 抓斗 |
For 5t Grab Crane |
| 2 | T527 | Ø500×1485 | II | 17.5 | 20 | 105 | 512 | 45 | 100 | 96 | 200 | 410 | 140 | 350 | 60 | 30 | 260 | 30 | 316 | 6×56 | 742 | ||
| 3 | T508 | Ø500×2000 | I | 17.5 | 20 | 120 | 512 | 45 | 100 | 200 | 410 | 140 | 350 | 60 | 30 | 260 | 30 | 316 | 6×56 | 932 | |||
| 4 | T509 | ø500×1485 | I | 17.5 | 20 | 105 | 512 | 45 | 100 | 200 | 410 | 140 | 350 | 60 | 30 | 260 | 30 | 316 | 6×56 | 741 | |||
| 5 | T516 | Ø500×2500 | I | 17.5 | 20 | 120 | 512 | 45 | 145 | 200 | 410 | 140 | 350 | 60 | 30 | 260 | 30 | 316 | 6×56 | 1133 | |||
| 6 | T473G | Ø500×2500 | II | 17.5 | 20 | 120 | 512 | 45 | 100 | 96 | 200 | 410 | 140 | 350 | 60 | 30 | 260 | 30 | 316 | 6×56 | 1142 | ||
| 7 | T550 | Ø500×2500 | 1 | 17.5 | 20 | 50 120 |
512 | 60 | 85 | 200 | 410 | 140 | 350 | 60 | 30 | 260 | 30 | 316 | 6×56 | 1154 | |||
| 8 | T559 | ø500×3000 | |l | 17.5 | 20 | 220 | 512 | 45 | 100 | 96 | 200 | 410 | 140 | 350 | 60 | 30 | 260 | 30 | 316 | 6×56 | 1365 | ||
| 9 | T604 | Ø500×2500 | I | 14.5 | 16 | 70 | 509 | 45 | 100 | 200 | 410 | 140 | 350 | 60 | 30 | 260 | 30 | 297 | 6×56 | 1130 | |||
| 10 | T605 | Ø500×3000 | I | 14.5 | 16 | 90 | 509 | 45 | 100 | 200 | 410 | 140 | 350 | 60 | 30 | 260 | 30 | 297 | 6×56 | 1326 | |||
| 11 | T461G | Ø500×3500 | II | 17.5 | 20 | 150 | 512 | 45 | 100 | 96 | 200 | 410 | 140 | 350 | 60 | 30 | 260 | 30 | 316 | 6×56 | 1700 | ||
| 12 | TS555 | Ø500×1000 | II | 17.5 | 20 | 50 | 512 | 45 | 100 | 96 | 200 | 410 | 140 | 350 | 60 | 30 | 260 | 30 | 316 | 6×56 | 561 | ||
| 13 | T556 | Ø500×1000 | I | 17.5 | 20 | 50 | 512 | 45 | 100 | 200 | 410 | 140 | 350 | 60 | 30 | 260 | 30 | 316 | 6×56 | 560 | |||
| 14 | T610 | Ø500×1500 | I | 14.5 | 16 | 120 | 509 | 45 | 100 | 200 | 410 | 140 | 350 | 60 | 30 | 260 | 30 | 297 | 6×56 | 778 | |||
| 15 | T385G | Ø500×1500 | II | 17.5 | 20 | 50 120 |
512 | 45 | 100 | 96 | 200 | 410 | 140 | 350 | 60 | 30 | 260 | 30 | 316 | 6×56 | 756 |
Ø650卷筒组选用表/Data List for Drum Unit k650
| 序号 NO |
部件图号 Part NO |
DxL | 型号 Type |
dS | p |
m | D1 | L1 | L₂ | L₃ | B1 | B₂ | b1 | b₂ | I1 | I₂ | H | h | R | m1×Z1 | 重量 Weight (kg) |
用途 Usage |
备注 Remarks |
| 1 | T567 | Ø650×2500 | I | 17.5 | 20 | 130 | 664 | 43 | 100 | 230 | 470 | 160 | 400 | 70 | 35 | 360 | 30 | 412 | 8×54 | 1769 | |||
| 2 | T494 | Ø650×2000 | I | 21.5 | 24 | 150 | 664 | 43 | 100 | 230 | 470 | 160 | 400 | 70 | 35 | 360 | 30 | 412 | 8×54 | 1499 | |||
| 3 | T1025B | Ø650×2000 | II | 21.5 | 24 | 150 | 664 | 43 | 100 | 99 | 230 | 470 | 160 | 400 | 70 | 35 | 360 | 30 | 412 | 8×54 | 1500 | ||
| 4 | T583 | Ø650×1500 | I | 21.5 | 24 | 150 | 664 | 43 | 100 | 230 | 470 | 160 | 400 | 70 | 35 | 360 | 30 | 412 | 8×54 | 1499 | |||
| 5 | T557 | Ø650×3200 | I | 21.5 | 24 | 150 | 664 | 43 | 100 | 230 | 470 | 160 | 400 | 70 | 35 | 360 | 30 | 412 | 8×54 | 2154 | |||
| 6 | T544 | Ø650×2500 | Ⅲ | 21.5 | 24 | 150 | 664 | 43 | 100 | 99 | 230 | 470 | 160 | 400 | 70 | 35 | 360 | 30 | 412 | 8×54 | 1777 | ||
| 7 | T563 | ø650×2500 | I | 21.5 | 24 | 150 | 664 | 43 | 100 | 230 | 470 | 160 | 400 | 70 | 35 | 360 | 30 | 412 | 8×54 | 1769 | |||
| 8 | T546 | ø650×2300 | I | 21.5 | 24 | 150 | 664 | 43 | 100 | 230 | 470 | 160 | 400 | 70 | 35 | 360 | 30 | 412 | 8×54 | 1655 | |||
| 9 | T562 | Ø650×3200 | Ⅲ | 21.5 | 24 | 150 | 664 | 43 | 100 | 99 | 230 | 470 | 160 | 400 | 70 | 35 | 360 | 30 | 412 | 8×54 | 2156 | ||
| 10 | T594 | ø650×2300 | I | 17.5 | 20 | 120 | 662 | 43 | 100 | 230 | 470 | 160 | 400 | 70 | 35 | 360 | 30 | 412 | 8×54 | 1656 | |||
| 11 | T567 | Ø650×4700 | I | 21.5 | 28 | 150 | 664 | 43 | 100 | 230 | 470 | 160 | 400 | 70 | 35 | 360 | 30 | 412 | 8×54 | 3223 | |||
| 12 | T577 | Ø650×1500 | Ⅲ | 21.5 | 24 | 66 | 664 | 43 | 100 | 99 | 230 | 470 | 160 | 400 | 70 | 35 | 360 | 30 | 412 | 8×54 | 1201 | ||
| 13 | T572 | Ø650×1500 | Ⅲ | 21.5 | 24 | 150 | 664 | 43 | 100 | 99 | 230 | 470 | 160 | 400 | 70 | 35 | 360 | 30 | 412 | 8×54 | 1201 | ||
| 14 | T510 | Ø650×5500 | Ⅲ | 21.5 | 24 | 664 | 43 | 100 | 99 | 230 | 470 | 160 | 400 | 70 | 35 | 360 | 30 | 412 | 8×54 | 6256 |
700卷筒组选用表/Data List for Drum Unit Ø700
序号 NO |
部件图号 Part NO |
DxL |
型号 Type |
dS | p | m | D₁ | L1 | L₂ | L₃ | B1 | B₂ | b1 | b₂ | I1 | I₂ | H | h | R | m'×z, | 重量 Weight (kg) |
用途 Usage |
备注 Remarks |
|||||
| 1 | T1025Z | Ø700×1860 | II | 24 | 32 | 400 | 728 | 43 | 100 | 99 | 230 | 470 | 160 | 400 | 70 | 35 | 360 | 30 | 434 | 8×54 | 1948 | 抓斗 | ||||||
| 2 | T619 | Ø700×1860 | Ⅱ | 20 | 28 | 400 | 724 | 43 | 100 | 99 | 230 | 470 | 160 | 400 | 70 | 35 | 360 | 30 | 397 | 8×54 | 1862 | 抓斗 | ||||||
Ø800卷筒组选用表/Data List for Drum Unit k800
序号 NO |
部件图号 Part NO |
DxL | 型号 Type |
ds | p | m | D, | L, | L₂ | L₃ | B, | B₂ | b₁ | b₂ | l, | I₂ | H | h | R | m¹×z₁ | 重量 Weight (kg) |
用途 Usage |
备注 Remarks |
|||||
| 1 | T538 | Ø800×2500 | I | 24 | 28 | 250 | 816 | 87.5 | 100 | 250 | 530 | 180 | 450 | 70 | 35 | 420 | 35 | 478 | 10×48 | 2821 | ||||||||
| 2 | T495 | Ø800×2000 | I | 24 | 28 | 350 | 816 | 87.5 | 100 | 250 | 530 | 180 | 450 | 70 | 35 | 420 | 35 | 478 | 10×48 | 2532 | ||||||||
| 3 | T1027B | ø800×2000 | II | 24 | 28 | 350 | 816 | 87.5 | 100 | 99 | 250 | 530 | 180 | 450 | 70 | 35 | 420 | 35 | 478 | 10×48 | 2534 | |||||||
| 4 | T453G | Ø800×3800 | Ⅲ | 30 | 32 | 230 | 818 | 87.5 | 100 | 99 | 250 | 530 | 180 | 450 | 70 | 35 | 420 | 35 | 489 | 10×48 | 4250 | |||||||
| 5 | T600 | Ø800×2000 | Ⅲ | 32.5 | 44 | 400 | 840 | 87.5 | 145 | 99 | 250 | 530 | 180 | 450 | 70 | 35 | 420 | 35 | 486 | 10×48 | 2241 | 抓斗 车用 |
||||||
| 6 | T462G | Ø800×4200 | Ⅲ | 30 | 32 | 370 | 818 | 87.5 | 100 | 99 | 250 | 530 | 180 | 450 | 70 | 35 | 420 | 35 | 477 | 10×48C | 4555 | |||||||
| 7 | T618 | Ø800×4500 | Ⅲ | 27 | 30 | 300 | 818 | 87.5 | 100 | 99 | 250 | 530 | 180 | 450 | 70 | 35 | 420 | 35 | 482 | 8×54 | 4860 | |||||||
| 8 | T625 | Ø800×2500 | I | 22.5 | 24 | 120 | 814 | 87.5 | 100 | 250 | 530 | 180 | 450 | 70 | 35 | 420 | 35 | 456.5 | 10×48 | 2555 | ||||||||
| 9 | T638 | Ø800×3000 | Ⅲ | 24 | 28 | 350 | 816 | 87.5 | 100 | 99 | 250 | 530 | 180 | 450 | 70 | 35 | 420 | 35 | 478 | 10×48 | 3379 | |||||||
| 10 | T1027Z | p800×1800 | Ⅱ | 27 | 36 | 400 | 832 | 87.5 | 100 | 99 | 250 | 530 | 180 | 450 | 70 | 35 | 420 | 35 | 486 | 10×48 | 2200 | 抓斗 车用 |
||||||
| 11 | T584 | Ø800×2000 | Ⅲ | 22.5 | 24 | 80 | 816 | 87.5 | 100 | 99 | 250 | 530 | 180 | 450 | 70 | 35 | 420 | 35 | 478 | 8×54 | 2417 | |||||||
| 12 | T564 | Ø800×3200 | I | 22.5 | 24 | 150 | 814 | 87.5 | 100 | 250 | 530 | 180 | 450 | 70 | 35 | 420 | 35 | 478 | 8×54 | 2695 | ||||||||
| 13 | T575 | 6800×3600 | I | 24 | 28 | 200 | 816 | 87.5 | 100 | 250 | 530 | 180 | 450 | 70 | 35 | 420 | 35 | 478 | 10×48 | 3571 | ||||||||
×1000卷筒组选用表/Data List for Drum Unit Ø1000
| 序号 NO |
部件图号 Part NO |
DxL | 型号 Type |
ds | p |
m | D1 | L1 | L₂ | L₃ | B1 | B₂ | b₁ | b₂ | I1 | I₂ | H |
h | R | m¹×z, | 重量 Weight (kg) |
用途 Usage |
备注 Remarks |
| 1 | T524 | Ø1000×3000 | I | 24 | 28 | 230 | 1016 | 87.5 | 100 | 320 | 550 | 200 | 460 | 70 | 70 | 460 | 30 | 578 | 10×48 | 3479 | |||
| 2 | T533 | Ø1000×2500 | I | 24 | 28 | 280 | 1016 | 87.5 | 100 | 250 | 530 | 180 | 450 | 70 | 35 | 420 | 35 | 578 | 10×48 | 30449 | |||
| 3 | T553 | Ø1000×2500 | Ⅲ | 24 | 28 | 280 | 1016 | 87.5 | 100 | 158 | 250 | 530 | 180 | 450 | 70 | 35 | 420 | 35 | 578 | 10×48 | 3083 | ||
| 4 | T573 | ø1000×2000 | I | 24 | 28 | 100 | 1016 | 87.5 | 100 | 250 | 530 | 180 | 450 | 70 | 35 | 420 | 35 | 578 | 10×48 | 2589 | |||
| 5 | T447G | Ø1000×2000 | Ⅲ | 24 | 28 | 150 | 1016 | 87.5 | 100 | 158 | 250 | 530 | 180 | 450 | 70 | 35 | 420 | 35 | 580 | 10×48 | 4057 | ||
| 6 | T578 | Ø1000×2000 | 30 | 32 | 100 | 1018 | 40 | 300 | 420 | 250 | 800 | 150 | 670 | 120 | 50 | 500 | 50 | 589 | 10×54 | 4748 | |||
| 7 | T646 | Ø1000×3700 | Ⅲ | 17.5 | 20 | 1012 | 87.5 | 100 | 158 | 250 | 530 | 180 | 450 | 70 | 35 | 420 | 35 | 558 | 10×48 | 4707 | |||
| 8 | T632 | Ø1000×3500 | Ⅲ | 32 | 36 | 300 | 1020 | 95 | 187.5 | 159.5 | 270 | 570 | 180 | 500 | 135 | 45 | 530 | 45 | 595 | 12×48 | 4293 |

